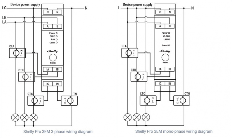
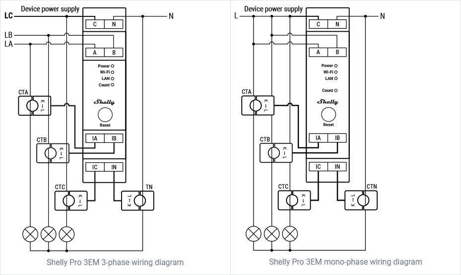
Shelly De Pro3 EM is een driefasige energiemeter die met behulp van transformatorstroomtangen energie meet in drie afzonderlijke fasen bij een belasting tot 120 A en met een nauwkeurigheid van 99%. Het apparaat rapporteert in realtime de opgebouwde energie en de actuele spanning, stroom en vermogensfactor per fase. Het slaat gegevens op in een niet-vluchtig geheugen, dat tot 60 dagen lang met intervallen van 1 minuut kan worden opgevraagd.
Shelly De Pro 3EM is ontworpen voor montage op een DIN-rail en wordt geleverd met drie stroomtransformatoren. Het apparaat rapporteert vermogensmetingen (W), spanningsmetingen (V), stroommetingen (A) en de vermogensfactor (PF) in realtime en slaat de metingen tot 60 dagen lokaal op in het apparaat en 365 dagen wanneer het is aangesloten op de Shelly Cloud-applicatie. Het apparaat voldoet ook aan de eisen van de IEC 62053-21-norm met een nauwkeurigheid van klasse B (maximaal 1% afwijking). Shelly De Pro 3EM heeft een ingebouwde realtime klok die de tijd en datum bijhoudt als de verbinding met de SNTP-server wordt verbroken.
Shelly De Pro 3EM kan worden aangesloten op het internet of op een lokaal 2,4 GHz wifi-netwerk. Bovendien beschikt het apparaat, net als alle Pro- en Plus-apparaten, over ingebouwde Bluetooth, waardoor de Shelly Pro 3EM kan worden gebruikt als gateway naar andere Shelly Bluetooth-apparaten. Het apparaat werkt lokaal zonder verbinding met de Shelly-cloud, maar het wordt aanbevolen om deze te activeren om gegevensopslag te vergemakkelijken en de functionaliteit uit te breiden. Het apparaat kan ook communiceren via MQTT, HTTP en WebSocket. Bovendien ondersteunt de Pro 3EM de MODBUS-bus, wat een eenvoudige en snelle implementatie in bestaande industriële installaties mogelijk maakt.
Het apparaat is uitgerust met hardware van de 2e generatie, die een krachtige ESP32-processor en verbeterde beveiligingsfuncties bevat, zoals bescherming tegen oververhitting, overstroom, overspanning en overbelasting. Het maakt ook het gebruik van commandoreeksfuncties mogelijk voor geavanceerde en aangepaste functies, evenals een bereikuitbreidingsfunctie met het apparaat.
Houd er rekening mee dat de Shelly Pro 3EM geen ingebouwd droogcontactrelais heeft, zoals de oudere Shelly 3EM. In plaats daarvan kan de Shelly Pro Add-On-module worden aangesloten voor het schakelen van maximaal drie fasen.
Shelly De smart home-producten ondersteunen de virtuele assistenten Amazon Alexa en Google Assistant. Naast de bovengenoemde worden ook diverse andere smart home-systemen/platforms ondersteund (controleer de compatibiliteit per product). De producten van Shelly worden aangesloten op een draadloos Wi-Fi-netwerk en hebben geen aparte domotica-controller nodig om te functioneren.
Let op: de installatie mag alleen worden uitgevoerd door een erkende elektricien.
Kenmerken:
- Model: Shelly Pro 3EM
- Nominale spanning: wisselstroom: 110 - 240 V, 50/60 Hz
- Drie onafhankelijke meetkanalen van max. 120 A
- Het interne geheugen kan tot 60 dagen aan historische gegevens opslaan
- Draadloze standaard: Wi-Fi 802.11b/g/n, 2,4 GHz
- Ondersteuning voor MQTT, HTTP, WebSocket en MODBUS
- Shelly Cloud-app - ondersteuning voor Android en iOS
- Bedrijfstemperatuur: -20 ºC tot +40 ºC, alleen voor gebruik binnenshuis
- Afmetingen: 94 x 19 x 69 mm
- Gewicht: 62 g
Inhoud van de verpakking:
- Shelly Pro 3EM
- 120 A-klemmen, 3 stuks
- Snelstartgids
- Verbinding maken met het wifi-netwerk
- Voor het meten van het stroomverbruik
- Voor driefasige meting
